永利最大(官方)网站

永利最大(官方)网站

招商加盟
服务
留言
联系方式

永利最大(官方)网站

您当前的位置:永利最大(官方)网站 > 永利最大(官方)网站 > 永利最大(官方)网站

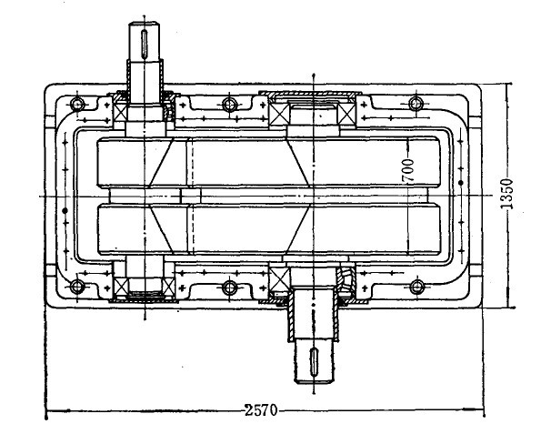
轧钢机用减速机的结构

    减速机是由齿轮、轴、轴承、箱体、箱盖等主要零件组成。用于轧钢机传动装置的主减速机,其结构型式多采用一级(545)和二级(546)两种圆柱齿轮减速机轧钢机使用的减速机齿轮多做成人字齿的,因为这种齿轮工作比较平稳,而且对轴承不产生轴向力。在二级减速机中,为适应载荷的变化一般都采用分流式(546),其高速级是两对对称的斜齿轮啮合,低速级多做成人字齿的,这样低速级齿轮与轴承对称布置,载荷沿齿宽分布均匀,轴承平均受载。中间轴危险断面上的扭矩相当于轴所传递规矩之半。

 

齿轮的结构,取决于齿轮节圆直径D与轴的直径d之比,其关系大致如下:

    D2d寸,齿轮与轴做成一体的齿轮轴;

    D(183)d时,齿轮做成原齿圈直接套在轴上;

    D3d时,齿轮做成带腹板的整体齿轮或组合齿轮。

齿轮减速机结构齿轮减速电机结构

 

图-45

图-45

 

    为节约合金钢,大齿轮可做成组合式,其轮心用铸铁或铸钢制成,合金钢齿轮热热经在轮心上。

 

齿圈的热装温度约为200300℃,与此相应的公盈量每1000毫米约为12毫米,装配时应根据设计要求,按热装温度详细检验公盈量。除热配合外,还需用螺钉将齿圈固定。齿的螺旋方向应是在齿受力时能使齿圈紧贴在轮心的凸肩上。齿困的厚度(包括齿全高)必须大于齿全高的三倍。对于宽度小的齿轮用一个齿圈,宽度大的齿轮用两个齿圈。齿圈不能采用表面淬火。

 

大齿圈的锻坯需要用水压机锻造,有些制造厂受到设备条件的限制,所以设计时可根据实际情况也常采用整体铸钢的大齿轮。Dl000毫米的整铸齿轮或组合齿轮的铸造轮心,为了减小铸造应力,通常在轮毂上铸有切口,加工前浇入巴氏合金招切口填满,在装配时,轮教两边以热装的环将其箍紧。同样,组合齿轮的铸造轮心也可在轮线上铸出切口,以减少铸造应力。

 

 齿轮加工方法根据图纸上对精度的要求及制造厂的具体条件来定。用指形铣刀铣齿的精度一船只能达到9级,按此法铣出的齿轮接触不良,影响齿轮使用寿命,应避免用这种方法加工。滚齿加工可达到8级或更高精度,是常用的加工方法。配对齿轮最好在同一个机床上进行滚齿加工,以保证两个齿轮啮合时具有相同的齿倾角。当用滚齿刀加工人字齿轮时,在齿轮的中间应留有迟刀槽,其槽宽根据QZBl3473规定。

 

为了齿轮安装在轴上位置更正确,通常采用压合座(DieDif>并加平键联接。齿轮轴应有足够的刚度,这是保证工作平稳的重要条件,建议齿轮轴的允许挠度[y]0005模数。

 

 在各种减速机中,只有低速轴采用轴向固定,其他轴则应留有少许轴向游隙,使它们可以自由串动,以免卡住齿轮。所谓低速轴在轴向固定是相对的,实际也应有很小的轴向串动量,以防止轴承衬端面烧毁和便于吊装齿轮轴。轴向游隙为08~1迭米。在圆弧齿轮大型减速机上,为了防止吊装低速轴时擦伤轴承衬端面和当轴承衬消面磨损后可沿轴向进行调整,设有一组精确磨制的调整垫片加在下轴瓦处,这样可以比较方便地将轴承衬端面与低速轴轴肩之间的游隙调整为规定的081毫米。上轴瓦处也加调整垫片,但比上述间隙要大一些。

 

高速轴、中速轴及低速轴均应留中心孔,以备修复齿轮和袖之川。在中速轴、低速轴端面处应能安设吊装螺拴,以便需要热装齿轮吊装时用。

 

在不可逆式轧机中,主减速机齿轮是单面工作的,若齿廓一面破坏,整个齿轮就要报废,不能完全发挥轮齿的效用。因此这类减速机的齿轮应考虑尽可能采取高、低速轴两端出轴,以便调头使用,延长使用年限。

 

减速机轴承的结构,有巴氏合金轴承衬的滑动轴承和波动轴承两种。滑动轴承虽然有冲击负荷,所以目前在大型减速机上多数还是采用此类轴承。而在一些中心距小于1000米的减速机上,如用于线材轧机主传动的减速机,常采用滚动轴承。随着轧制速度的提高,今后的趋势将更多地采用滚动轴承。

 

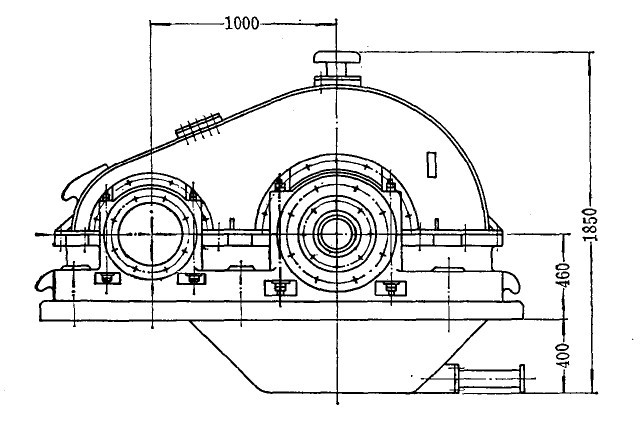
大型减速机的箱体,一般采用铸铁或铸钢的刚性框架,也可用全部钢板焊接的结构,箱盖和箱体底部的油箱通常均为钢板焊接的。用铸铁箱体是合理的,许多大型减速机经过长期使用,证明用铸铁箱体是无问题的。有些箱体采用铸钢,主要是考虑可以焊接,因为油箱是用螺拴固定在箱体底部,这种结构在使用过程令易发生联接螺栓振松,致使油箱与箱体接缝处漏油严重,如箱体是铸钠或钢板焊接的,就可符油箱直接焊在箱体底部以防止漏油。如箱体是铸铁制造的,油箱便不能与其焊接,实际上如采取一些措施,还是可以保证箱体与油箱接缝处的严密性。

 

减速机筋盖与箱体之间通常均用螺栓联接。但某薄板轧机的主减速机,箱盖与箱体不采俐任何形式的闯定联接(这种结构的箱盖与轴承羌是分离的,而轴承盖则用螺拴固定在箱体上),只靠箱盖本身重量自由放置在箱体上,放下箱盖前在箱体上面沿四周铺上石棉绳,箱盖压紧石棉绳后可防止漏油。箱盖上设有足够大尺寸的勋环,使起正机吊构能自如地进出吊环,吊环要焊在箱盖的垂直重心线上。这种结合方式稳妥可靠,维修方便。

 

减速机的每个轴承都有单独的轴承盖,通过轴承盖上的法兰盘,用螺拴将其固定在减速机的焊接箱盖上。在轴承盖上设有安装温度计或热电偶的孔,以便控制轴承温度。为了放散减速机内的热量和气体并减小箱内压力,在箱盖顶部设有足够大直径和高度并带有几层反射板的透气罩,对于中心距为3000毫米的二级减速机,透气罩内径应大干250毫米。为了观察轮齿的啮合和润滑情况,在减速机箱盖上没有窥视孔。

 

单向旋转的二级主减速机的安装方向,应使中间轴受力向下,这样可防止中轴向上跳动,以提高传动的平稳性。至于这种布置可能使高速轴出轴端容易产生漏油,可改进密封结构加以解决。

信誉盛凯国际足球官方(官方)网站/网页版登录入口/手机版登录入口-最新版(已更新) 十大线上盛凯国际推荐(官方)网站/网页版登录入口/手机版登录入口-最新版(已更新) 盛凯国际网上权威推荐(官方)网站/网页版登录入口/手机版登录入口-最新版(已更新) 权威网上boyu·博鱼足球(官方)网站/网页版登录入口/手机版登录入口-最新版(已更新) 真人朗驰娱乐大全足球(官方)网站/网页版登录入口/手机版登录入口-最新版(已更新) 最火PM娱乐城体育(官方)网站/网页版登录入口/手机版登录入口-最新版(已更新) 最大盛凯国际体育赌注(官方)网站/网页版登录入口/手机版登录入口-最新版(已更新) 外围网络188BET体育(官方)网站/网页版登录入口/手机版登录入口-最新版(已更新)