永利最大(官方)网站

招商加盟
服务
留言
联系方式

当前栏目名

您当前的位置:永利最大(官方)网站 > 产品中心 > 电机(马达)展厅

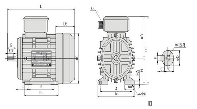
永元铝壳卧式三相马达

永元铝壳卧式三相马达
产品参数:
产品型号: AEEF
额定功率:1/4HP-60HP
电压:380V.220V
转速/极数:2级,4级,
安装方式:卧式

详细参数

永元铝壳卧式三相马达特点:1采用E级绝缘及高级导电材料,温升低,寿命长,性能优越    2外型轻巧,坚固耐用3优越的设计,噪音低,运转安静  4 启动转矩大,惯性小,运转顺畅,省电效果较佳,马达强劲有力。5特性合乎国家CNS及各项国际认证等标准。6标准IEC公制尺寸,具有互换性,适合各界需要

1、刹车马达,提供当电源切断后,可手动释放刹车,转动马达出力。2、刹车来今片是由高摩擦系数和长寿命的材料制成,刹车次数可达100000次后调整一次,可耐较高的温升、当温度在75℃时仍能全负载使用。3、刹车马达使用AC电源,经由整流器转换后供应给DC刹车线圈使用其特性是噪音低、冲击小。正反转均能有效地达到刹车动作。4、刹车部分零部件充足,

信誉盛凯国际足球官方(官方)网站/网页版登录入口/手机版登录入口-最新版(已更新) 十大线上盛凯国际推荐(官方)网站/网页版登录入口/手机版登录入口-最新版(已更新) 盛凯国际网上权威推荐(官方)网站/网页版登录入口/手机版登录入口-最新版(已更新) 权威网上boyu·博鱼足球(官方)网站/网页版登录入口/手机版登录入口-最新版(已更新) 真人朗驰娱乐大全足球(官方)网站/网页版登录入口/手机版登录入口-最新版(已更新) 最火PM娱乐城体育(官方)网站/网页版登录入口/手机版登录入口-最新版(已更新) 最大盛凯国际体育赌注(官方)网站/网页版登录入口/手机版登录入口-最新版(已更新) 外围网络188BET体育(官方)网站/网页版登录入口/手机版登录入口-最新版(已更新)