产品快速通道
当前栏目名
您当前的位置:永利最大(官方)网站 > 产品中心 > 其他传动专区DF凸缘型分割器

- 产品参数:
- 产品型号: DF
- 额定功率:null
- 电压:null
- 风量:null
- 风压:null
- 转速/极数:null
- 减速比:null
- 安装方式:null
详细参数
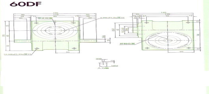
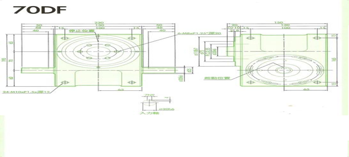
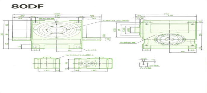
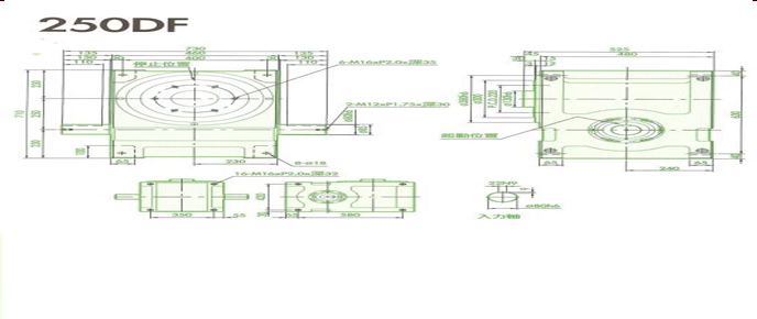
台湾DF凸缘型分割器是纯机械结构,具有自锁功能、分割精度高、顺畅度良好、无噪音、可高速运作间歇传动、运作平衡等显著优点。产品广泛用于各种多工位组合机床,机床加工中心、压力机、电光源设备、自动送料机、印刷机械、食品包装机械、制药机械、玻璃陶瓷机械等。 






产品说明:左右摇摆、上下夹取系统紧密及高精度、高速度之夹取输送、为您自动化系统提供了多变化流程功能。FN系列为出力轴上下往复运动兼间歇旋转或左右摇摆运动之合成机种。FNL系列为出力轴凸缘分割盘面作间歇旋轴或左右摇摆运动。中空出力轴作上下往复运动与分割盘面各自分离作动。中心空可配合空油压管路或电控线路。
此系列機種之尺寸設計特性與凸緣型弁酮萓A於驅動運轉上可承受超大軸向負載及垂直徑向壓力,在輸出端有一凸起固定盤面及大孔徑空心軸,可搭配設置動態、靜態自動化周邊設備,可將動力源之電、油、氣管路置於空心孔內,此系列機種廣泛應用於重負載、直結自動化設備之各類機構及產業機械,作同步自動化間歇驅動。技術參數項目符號單位數值出力軸容陵|向負荷C1kgf520出力軸容雀b向負荷C2kgf220出力軸容酗O矩Tskgf-m參考力矩表入力軸容陵|向負荷C3kgf220入力軸最大彎曲力矩C4kgf160入力軸最大扭矩C5kgf-m 9.5入力軸的GD2(注1)C6kgf-m20.03定位分割精度sec.30重量kg20注1:入力軸的GD2是在停留範圍內的數值。注2:C1至C5數值是達到安全系數=2時的數值。











粤ICP备11012611号
