产品快速通道
当前栏目名
您当前的位置:永利最大(官方)网站 > 产品中心 > 鼓风机展厅EHS8315

- 产品参数:
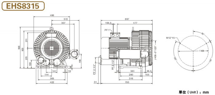
- 产品型号: EHS8315
- 额定功率:null
- 电压:null
- 风量:null
- 风压:null
- 转速/极数:null
- 安装方式:null
详细参数
双段鼓风机EHS8315(旋涡气泵)是一种吹气或吸气两用的通用气源。风机,高压风机,鼓风机,升鸿高压风机,瑞昶风机,旋涡气泵,吸风泵,吸料风机,真空泵,侧流风机它主要用于:切纸机,燃烧降氧机、卷烟滤嘴成型机、电镀槽液搅拌、雾化乾燥机、水处理爆气、水产、丝网印刷机、照相制版机、注塑机自动上料烘干机、液体灌装机、粉末灌装机、电焊设备、电影机械、纸张运送、清洁用途、空气除尖、干瓶、气体传送、送料、收集等方面 功率:0.18KW 0.4KW 0.75KW 1.1KW 1.75KW 2.2KW 3.7KW 4KW 5.5KW 7.5KW 9KW 13KW 20KW EHS-129 EHS-229 EHS-329 EHS-339 EHS-429 EHS-439 EHS-529 EHS-629 EHS-639 EHS-729 EHS-829 EHS-919 EHS-929 EHS-939 EHS-4337 EHS-4346 EHS-6346 EHS-6355 EHS-6375 EHS-6455 EHS-6475 EHS-8310 EHS-8315 EHS-8320 EHS-8410 EHS-8415 EHS-9320 EHS-9325 EHS-9420 EHS-9425 风压:50mbar~650mbar 风量:40立方/小时~1134立方/小时(为方便选用不同规格,单段式/双段式均有货提供) 频率:50Hz/60Hz 电压:110V~615V(万国电压,各国均可使用。如需特殊电压,可按要求定做) 释压阀 RV-01 RV-02(配套使用) 过滤器 MF8 MF10 MF12 MF16 MF-20 MF-32 本公司有专业的相关技术工程师,欢迎广大客户来电来函咨询相关业务--风机,高压风机,鼓风机,升鸿高压风机,瑞昶风机,旋涡气泵,吸风泵,吸料风机,真空泵,侧流风机。






粤ICP备11012611号
